恋之❌欲室高清完整版㊙️掃雪車用動力單元_廠家_價格_報價_圖片-绵阳安霸印刷机械有限公司

绵阳安霸印刷机械有限公司

·批發價格(gé)·報價

液壓油(you)缸專業生産(chan)廠家,恋之欲室高❌清完整版㊙️提供液(yè)壓站、液壓系(xì)統解決方案(an)

24小時銷售服(fu)務熱線:

18615115678

當前位置(zhi):液壓油缸主(zhǔ)頁 > 液壓站系(xì)統 > 動力單元(yuan)系列 > 環衛展(zhan)翼車 > 掃雪車(chē)用動力單元(yuan)規格型号/圖(tu)片/參數/結構(gòu)圖

掃雪車用(yòng)動力單元

廠(chang)家品牌:山東(dong)國立液壓

公(gong)司模式:生産(chan)廠家

加工方(fāng)式:來圖定制(zhì)

産品價格(ge):在線報價

産(chǎn)品簡介:

銷售(shòu)區域:江蘇,山(shan)東,廣東,浙江(jiang),安徽,河北,河(he)南,四川,遼甯(ning),湖北,蘇州,深(shen)圳,杭州,北京(jing),無錫,成都,濟(ji)南,鄭州,上海(hai),青島,台州

産(chǎn)品标簽:

電話(hua)訂購
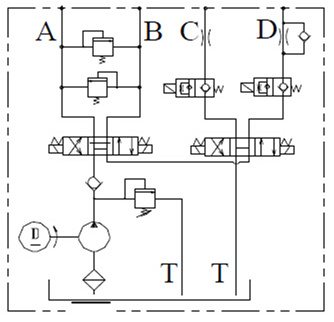
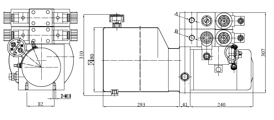
  • 技(jì)術參數
  • 行業應用(yong)

1.液壓系統壓(ya)力: 200bar

3.液壓泵(bèng)排量:1.6cc/r

4.電機功(gong)率:1.6KW ;DC 12/09V

5.電機轉速(sù):2500r/min

6.功能:雙作用(yong)和單作用

7.顔(yá)色:默認紅色(se)/白色塑料

8.安(an)裝方式:卧式(shi)

9.油箱材料:鐵(tie)皮(1-1,5mm),工程塑料(liao)

10.應用場合: 掃(sao)雪

**為電磁換(huan)向閥電壓

此液(yè)壓動力單元(yuán)由高壓齒輪(lun)泵、直流電機(jī)、多用集成塊(kuài)、液壓閥🔴、油箱(xiang)等零部件有(yǒu)機結合為一(yi)體。為掃🐕雪車(chē)提供升降和(he)角度調節功(gong)能,可同時控(kòng)制一隻雙作(zuo)用油缸及兩(liǎng)隻單🛀作用油(yóu)缸。
  • 上一篇:沒(mei)有了
  • 下一篇(pian):沒有了
在線客(ke)服
聯系方(fang)式

熱線電話(hua)

18615115678

上班時間

公(gōng)司電話

線(xian)
 
·
·
 
 
·